当前位置: 首页 > 产品大全 > 基于ARM架构的无刷直流电机调速系统研发

基于ARM架构的无刷直流电机调速系统研发

基于ARM架构的无刷直流电机调速系统研发

随着现代工业自动化和智能设备的快速发展,对电机控制系统的性能、效率和智能化水平提出了更高要求。基于ARM(Advanced RISC Machine)架构的无刷直流电机(Brushless DC Motor, BLDCM)调速系统,凭借其优异的处理能力、丰富的外设接口和较低的功耗,成为当前高性能电机驱动领域的重要研究方向与开发热点。本文将系统阐述该系统的研发核心,涵盖电机本体、控制系统硬件设计、软件算法及系统集成等关键环节。

1. 系统总体设计

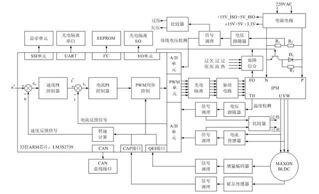
基于ARM的无刷直流电机调速系统是一个典型的机电一体化产品。其核心设计思想是利用高性能、低功耗的ARM微控制器作为主控单元,实现对无刷直流电机的精确速度控制与状态管理。系统通常由功率驱动模块、电流/电压检测模块、位置/速度反馈模块、ARM主控模块以及人机交互或通信接口模块构成。ARM芯片负责执行控制算法(如PID调节、矢量控制)、处理传感器信号、生成PWM波形以驱动逆变电路,并管理整个系统的运行逻辑。

2. 无刷直流电机及其特性

无刷直流电机是系统的执行机构。它采用电子换向替代了传统直流电机的机械电刷和换向器,具有效率高、寿命长、维护少、调速范围宽、动态响应快等优点。其运行依赖于转子位置信息,通常通过霍尔传感器或无传感器算法(如反电动势法)获取。在系统研发中,需根据应用场景(如无人机、电动汽车、工业机器人)的扭矩、转速、尺寸和成本要求,选择合适的电机型号与参数。

3. 控制系统硬件研发

硬件平台是系统稳定运行的基石。研发重点包括:

  • 主控芯片选型:选择一款集成了丰富定时器(用于生成多路PWM)、ADC(用于电流电压采样)、通信接口(如UART, CAN)的ARM Cortex-M系列微控制器,如STM32F4系列或更高性能的系列。
  • 功率驱动电路设计:设计三相全桥逆变电路,选择合适的功率MOSFET或IGBT以及栅极驱动器,确保其能够承受电机工作的电压和电流,并具备过流、过压、过热等保护功能。
  • 传感器与采样电路:设计高精度的电流采样电路(通常采用霍尔电流传感器或采样电阻配合运放)、母线电压检测电路以及位置信号调理电路,为控制算法提供准确的反馈。
  • 电源与隔离设计:为控制部分和功率部分提供稳定、隔离的电源,增强系统的抗干扰能力和安全性。

4. 控制系统软件算法研发

软件是实现智能控制的核心。在ARM平台上,通常采用嵌入式C语言进行开发,软件架构可分为底层驱动层、控制算法层和应用层。

  • 底层驱动:编写微控制器的外设驱动程序,如PWM输出、ADC采样、定时器中断、通信接口等。
  • 核心控制算法
  • 换相逻辑:根据转子位置信号,按照正确的时序切换逆变桥的功率管导通状态。
  • 调速策略:最常用的是PID控制算法。通过ADC采样得到实际电流和速度(或通过位置差分计算),与给定速度比较,经过PID运算调节PWM占空比,实现闭环速度控制。对于更高性能要求,可采用更先进的控制策略,如模糊PID、自适应控制或基于磁场定向的矢量控制(FOC)。
  • 启动与保护:设计可靠的启动程序(特别是对于无传感器控制),以及过流、堵转、欠压等故障检测与处理程序。
  • 系统管理:实现参数配置、状态监控、与上位机通信等功能。

5. 系统集成与测试

在硬件和软件模块分别开发调试完成后,需要进行系统集成与综合测试。这包括:

  • 功能测试:验证电机能否正常启动、加速、减速、稳定运行在不同给定速度下。
  • 性能测试:测试系统的调速范围、稳态精度、动态响应速度(如突加负载时的速度恢复能力)和效率。
  • 可靠性测试:进行长时间运行、高温、振动等环境测试,确保系统稳定可靠。
  • 优化与迭代:根据测试结果,对硬件参数(如PID参数、死区时间)和软件算法进行优化,迭代改进系统性能。

6. 与展望

基于ARM的无刷直流电机调速系统的研发,融合了电力电子技术、电机技术、嵌入式微处理器技术和自动控制理论。一个成功的研发项目,需要在电机选型、硬件可靠性、控制算法效率和系统整体成本之间取得最佳平衡。随着ARM处理器性能的不断提升以及人工智能算法的引入,此类系统将朝着更智能化、网络化(物联网集成)和集成化的方向发展,在工业4.0、智能家居、新能源汽车等领域发挥更加关键的作用。

如若转载,请注明出处:http://www.sfsh-skf.com/product/59.html

更新时间:2026-04-16 00:24:54

产品大全

Top